Отличительной особенностью колодца КОД 2 H600 с крышкой D 560 мм является возможность размещения на территории проезжей части. Установка выполняется с обязательным применением разгрузочных конструкций: железобетонной плиты серии ОП-1К (или аналога) и люка соответствующего класса нагрузки в соответствии с ГОСТ 3634-99.
КОД 2 – решение для строительства оптоволоконных и слаботочных сетей. Смотровое устройство КОД 2 позволяет удобно разместить и защитить от внешнего воздействия запас кабеля, муфты и прочее пассивное оборудование.
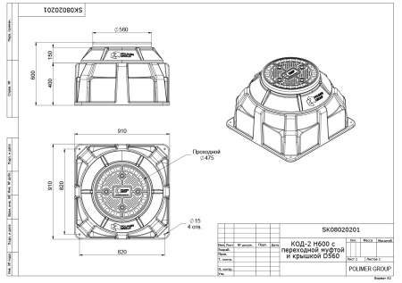
Элементы колодца: основание, секция, крышка имеют резьбовое соединение. Дополнительный крепеж для сборки не требуется. На корпусе имеются отверстия для анкерения.
Особенностью серии является увеличенный диаметр горловины колодца для удобного размещения габаритных муфт и оборудования.
Колодец изготавливается нашей компанией методом ротационного формования, который обеспечивает герметичность колодца, т.к. он не имеет никаких соединительных швов. Материал изготовления – пищевой полиэтилен, который не имеет в своём составе вредных и опасных для здоровья человека и окружающей среды материалов. Возможна вторичная переработка материала из которого выполнен кабельный колодец.
Сфера применения:
- оптоволоконные/слаботочные кабельные сети;
- системы безопасности и видеонаблюдения;
- проекты уличного освещения;
- прочие проекты размещения и защиты пассивного оборудования.
Особенности ввода труб:
- ввод труб осуществляется при помощи адаптеров герметичного ввода;
- на корпусе колодца КОД 2 H600 имеются 8 площадок для ввода труб D до 110 мм.
Герметичность соединения труб с корпусом колодца осуществляется при помощи адаптеров герметичного ввода. Крышка кабельного колодца имеет резьбовое соединение с корпусом колодца. Герметичность соединения крышки и кабельного колодца обеспечивается с помощью резинового уплотнительного кольца, которое устанавливается в корпус колодца. В крышке кабельного колодца предусмотрены углубления, обеспечивающие более плотное завинчивание крышки при помощи специального ключа.
Монтаж колодца
Герметичность ввода труб в колодец достигается с помощью адаптеров герметичного ввода необходимого диаметра. После подготовки отверстий в них устанавливается адаптеры герметичного ввода и затем защитные трубы, глубина на которую необходимо заводить трубы в тело колодца должна быть не меньше 100мм. После полного монтажа всех вводных труб, пространство между колодцем и стенками котлована засыпаться песком с последующим уплотнением. Финишную засыпку канавы рекомендуется производить ранее вынутым грунтом с его постепенной утрамбовкой. При установке колодцев около теплопроводов, необходимо обеспечить теплоизоляцию во избежание повреждения кабелей и соединительных муфт.
Транспортировка и хранение
Для покупки товара выберите понравившийся товар и добавьте его в корзину.
Далее перейдите в Корзину и нажмите на «Оформить заказ» или «Быстрый заказ».
Оформляя «Быстрый заказ», заполните данные ФИО, телефон и e-mail. При необходимости добавьте особые условия в поле «Комментарий к заказу». Отправьте заявку нажав на кнопку «ОТПРАВИТЬ». Вам перезвонит менеджер и уточнит условия заказа.
Для оформления заказа в стандартном режиме («Оформить заказ») заполните форму полностью по последовательным этапам: адрес, способ доставки, оплаты, данные о себе.
Советуем в комментарии к заказу написать информацию об адресе доставки. Нажмите кнопку «Оформить заказ».
Доступны следующие варианта оплаты:
- Оплата банковской картой
- при самовывозе на складе или в офисе в г. Мытищи, г. С.-Петербург. Пожалуйста убедитесь заранее о наличии интересующего Вас товара на складе. - Наличными
- только в офисах в г. Мытищи, г. С.-Петербург. Вы оплачиваете сумму за товар в рублях. Затем получаете товар на складе, либо ожидаете доставку. - Безналичный расчет
- в любом из представленных на сайте городов для юридических и физических лиц доступно выставление счета по электронной почте. - Оплата по QR коду для физических лиц
- по телефону или по электронной почте с покупателем согласовываются все вопросы по списку выбранных товаров, по доставке, либо самовывозу. На указанную покупателем электронную почту сотрудник компании присылает счет с QR кодом. Покупатель оплачивает товар в своем банке используя присланный QR код. Подробная инструкция по ссылке.
Доступны следующие варианты доставки:
- Самовывоз со склада.
После получения оплаты за товар сотрудник компании свяжется с Вами и сообщит информацию о дате и адресе склада отгрузки. Пожалуйста заранее уточните габариты товара, чтобы Вы смогли разместить купленный товар в Вашем автомобиле. - Доставка транспортом компании (Москва и область).
После получения оплаты за товар сотрудник компании свяжется с Вами и сообщит информацию о дате доставки. Пожалуйста сообщите дополнительный телефон для связи на случай, если Ваш телефон будет не доступен. - Доставка по России транспортными компаниями.
Для предварительной оценки стоимости доставки в регионы Вы можете воспользоваться калькулятором доставки.
Либо позвоните нам и стоимость доставки по России для Вас рассчитает сотрудник нашей компании. Бесплатный звонок по России 8 (800) 500-78-35. Также Вы можете выбрать транспортную компанию, которой доверяете, а мы рассчитаем стоимость «от двери до двери» или «от склада до склада».
