Крышка не входит в комплект поставки колодца - приобретается отдельно.
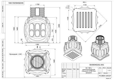
Колодец кабельный КС-5М предназначен для установки пассивного оборудования при монтаже кабельной канализации, электрических и слаботочных сетей.
Кабельный колодец связи КС-5М изготавливается нашей компанией методом ротационного формования, который обеспечивает герметичность колодца, т.к. он не имеет никаких соединительных швов.
Преимущества пластиковых колодцев КС по сравнению с железобетонными:
- легкий вес;
- герметичность - материал не пропускает воду через поры или швы, герметичность соединений обеспечивается адаптерами герметичного ввода, люк на резьбовом соединении с уплотнителем;
- простой монтаж - отверстия для кабеля прорезаются в нужных местах при монтаже - быстро и удобно;
- долговечность - срок службы пластикового колодца более 50 лет;
- прочность - ударопрочный полиэтилен выдерживает нагрузку более 2 тонн;
Условия эксплуатации от -50 до +60 градусов, устойчивость с УФ-лучам.
На колодце имеются площадки для ввода/вывода полиэтиленовых труб с различных направлений. Герметичность соединения труб с корпусом колодца осуществляется при помощи адаптеров герметичного ввода. Крышка кабельного колодца имеет резьбовое соединение с корпусом колодца.
Герметичность соединения крышки и кабельного колодца обеспечивается с помощью резинового уплотнительного кольца, которое устанавливается в корпус колодца.
По желанию колодец КС-5М может оснащаться инспекционной лестницей, металлическими стойками и консолями для размещения внутри колодца телекоммуникационного оборудования.
Транспортировка и хранение
Хранить колодцы необходимо с соблюдением норм пожарной безопасности, предусмотренных правилами хранения изделий изготовленных из полимерных материалов.
Не рекомендуется хранить колодцы вблизи источников тепла превышающих температуру 70 градусов, для избежание деформации изделия.
Транспортировка колодцев КС осуществляется любым видом транспорта (автомобиль, ЖД, водный транспорт, авиа перевозка) в соответствии с правилами действующими на каждом из видов транспорта. При транспортировке и хранении колодцев допускается их штабелирование (укладка один на другой).
Фото колодцев на объектах
С дополнительными фото Вы сможете ознакомиться на странице "Фотогалерея". Эта страница находится в главном меню - Компания - Фотогалерея".
Для покупки товара выберите понравившийся товар и добавьте его в корзину.
Далее перейдите в Корзину и нажмите на «Оформить заказ» или «Быстрый заказ».
Оформляя «Быстрый заказ», заполните данные ФИО, телефон и e-mail. При необходимости добавьте особые условия в поле «Комментарий к заказу». Отправьте заявку нажав на кнопку «ОТПРАВИТЬ». Вам перезвонит менеджер и уточнит условия заказа.
Для оформления заказа в стандартном режиме («Оформить заказ») заполните форму полностью по последовательным этапам: адрес, способ доставки, оплаты, данные о себе.
Советуем в комментарии к заказу написать информацию об адресе доставки. Нажмите кнопку «Оформить заказ».
Доступны следующие варианта оплаты:
- Оплата банковской картой
- при самовывозе на складе или в офисе в г. Мытищи, г. С.-Петербург. Пожалуйста убедитесь заранее о наличии интересующего Вас товара на складе. - Наличными
- только в офисах в г. Мытищи, г. С.-Петербург. Вы оплачиваете сумму за товар в рублях. Затем получаете товар на складе, либо ожидаете доставку. - Безналичный расчет
- в любом из представленных на сайте городов для юридических и физических лиц доступно выставление счета по электронной почте. - Оплата по QR коду для физических лиц
- по телефону или по электронной почте с покупателем согласовываются все вопросы по списку выбранных товаров, по доставке, либо самовывозу. На указанную покупателем электронную почту сотрудник компании присылает счет с QR кодом. Покупатель оплачивает товар в своем банке используя присланный QR код. Подробная инструкция по ссылке.
Доступны следующие варианты доставки:
- Самовывоз со склада.
После получения оплаты за товар сотрудник компании свяжется с Вами и сообщит информацию о дате и адресе склада отгрузки. Пожалуйста заранее уточните габариты товара, чтобы Вы смогли разместить купленный товар в Вашем автомобиле. - Доставка транспортом компании (Москва и область).
После получения оплаты за товар сотрудник компании свяжется с Вами и сообщит информацию о дате доставки. Пожалуйста сообщите дополнительный телефон для связи на случай, если Ваш телефон будет не доступен. - Доставка по России транспортными компаниями.
Для предварительной оценки стоимости доставки в регионы Вы можете воспользоваться калькулятором доставки.
Либо позвоните нам и стоимость доставки по России для Вас рассчитает сотрудник нашей компании. Бесплатный звонок по России 8 (800) 500-78-35. Также Вы можете выбрать транспортную компанию, которой доверяете, а мы рассчитаем стоимость «от двери до двери» или «от склада до склада».
