Установка предназначена для приготовления различного рода маловязких эмульсий, смесей, растворов и суспензий в жидкой среде с максимальной плотностью 1,3 г/см, динамической вязкостью жидкой фазы 0,05 Ра/сек.
Данный вид мешалок имеет тихоходный тип.
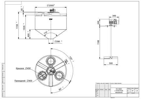
Комплектация:
- корпус емкости;
- мешалка с крышкой.
Материалы:
- корпус емкости изготовлен из пищевого пластика (полиэтилена);
- крышка, вал и рабочее колесо изготовлены из композитного материала.
Характеристики:
- мощность двигателя, кВт - 0,37;
- частота вращения вала, об/мин - 93;
- напряжение двигателя, В - 380, 50 Гц.
Сферы применения емкостей с мешалками:
- для приготовления рабочих растворов и реагентов с целью обработки сточных вод в системах водоснабжения и канализации;
- для приготовления растворов коагулянтов и флокулянтов в водоподготовке и водоочистке ;
- для приготовления и поддержания консистенции различных агрессивных растворов в химической промышленности ;
- для приготовления и дозирования растворов реагентов на очистных сооружениях предприятий пищевой промышленности, нефтеперерабатывающей отрасли и прочих производственных стоков в составе реагентных блоков периодического действия;
- фильтрации, стерилизации, контроля вкуса и запаха при обработке питьевой воды ;
- для приготовления диоксида титана с целью контроля матовости тонкой бумаги при производстве бумаги.
Для покупки товара выберите понравившийся товар и добавьте его в корзину.
Далее перейдите в Корзину и нажмите на «Оформить заказ» или «Быстрый заказ».
Оформляя «Быстрый заказ», заполните данные ФИО, телефон и e-mail. При необходимости добавьте особые условия в поле «Комментарий к заказу». Отправьте заявку нажав на кнопку «ОТПРАВИТЬ». Вам перезвонит менеджер и уточнит условия заказа.
Для оформления заказа в стандартном режиме («Оформить заказ») заполните форму полностью по последовательным этапам: адрес, способ доставки, оплаты, данные о себе.
Советуем в комментарии к заказу написать информацию об адресе доставки. Нажмите кнопку «Оформить заказ».
Доступны следующие варианта оплаты:
- Оплата банковской картой
- при самовывозе на складе или в офисе в г. Мытищи, г. С.-Петербург. Пожалуйста убедитесь заранее о наличии интересующего Вас товара на складе. - Наличными
- только в офисах в г. Мытищи, г. С.-Петербург. Вы оплачиваете сумму за товар в рублях. Затем получаете товар на складе, либо ожидаете доставку. - Безналичный расчет
- в любом из представленных на сайте городов для юридических и физических лиц доступно выставление счета по электронной почте. - Оплата по QR коду для физических лиц
- по телефону или по электронной почте с покупателем согласовываются все вопросы по списку выбранных товаров, по доставке, либо самовывозу. На указанную покупателем электронную почту сотрудник компании присылает счет с QR кодом. Покупатель оплачивает товар в своем банке используя присланный QR код. Подробная инструкция по ссылке.
Доступны следующие варианты доставки:
- Самовывоз со склада.
После получения оплаты за товар сотрудник компании свяжется с Вами и сообщит информацию о дате и адресе склада отгрузки. Пожалуйста заранее уточните габариты товара, чтобы Вы смогли разместить купленный товар в Вашем автомобиле. - Доставка транспортом компании (Москва и область).
После получения оплаты за товар сотрудник компании свяжется с Вами и сообщит информацию о дате доставки. Пожалуйста сообщите дополнительный телефон для связи на случай, если Ваш телефон будет не доступен. - Доставка по России транспортными компаниями.
Для предварительной оценки стоимости доставки в регионы Вы можете воспользоваться калькулятором доставки.
Либо позвоните нам и стоимость доставки по России для Вас рассчитает сотрудник нашей компании. Бесплатный звонок по России 8 (800) 500-78-35. Также Вы можете выбрать транспортную компанию, которой доверяете, а мы рассчитаем стоимость «от двери до двери» или «от склада до склада».
